○公共工事の前払金等に関する要綱
平成13年5月17日
要綱第1号
(目的)
第1条 この要綱は、地方自治法施行令(昭和22年政令第16号)附則第7条の規定により、公共工事の前払金保証事業に関する法律(昭和27年法律第184号。以下「法」という。)第5条の規定に基づき登録を受けた保証事業会社の保証に係る公共工事に要する経費の前払金及びそれに関わる事項について、必要な事項を定めることを目的とする。
(前金払の対象等)
第2条 この要綱により前金払を行うことができる公共工事は、法第2条第1項に定める公共工事とし、その対象、範囲、割合及び支払限度額は次に定めるとおりとする。
対象及び範囲 | 割合 | 支払限度額 |
(工事) 1件の請負金額が300万円以上の建設工事 | 請負金額の100分の30以内 | 5,000万円 |
2 前項の規定にかかわらず、次に定める工事については、前金払の対象としないことができる。
ア 河川の浚渫、建物の解体等の、造り上げていく工事以外の工事
イ 工期が概ね30日以内の工事
3 前項により前金払の対象外の工事とされた工事については、契約保証金制度の趣旨に反しない限りにおいて、乙訓福祉施設事務組合契約規則(平成元年規則第1号。以下「規則」という。)第36条第3項第7号に基づき、契約保証金の全部又は一部を免除することができるものとする。
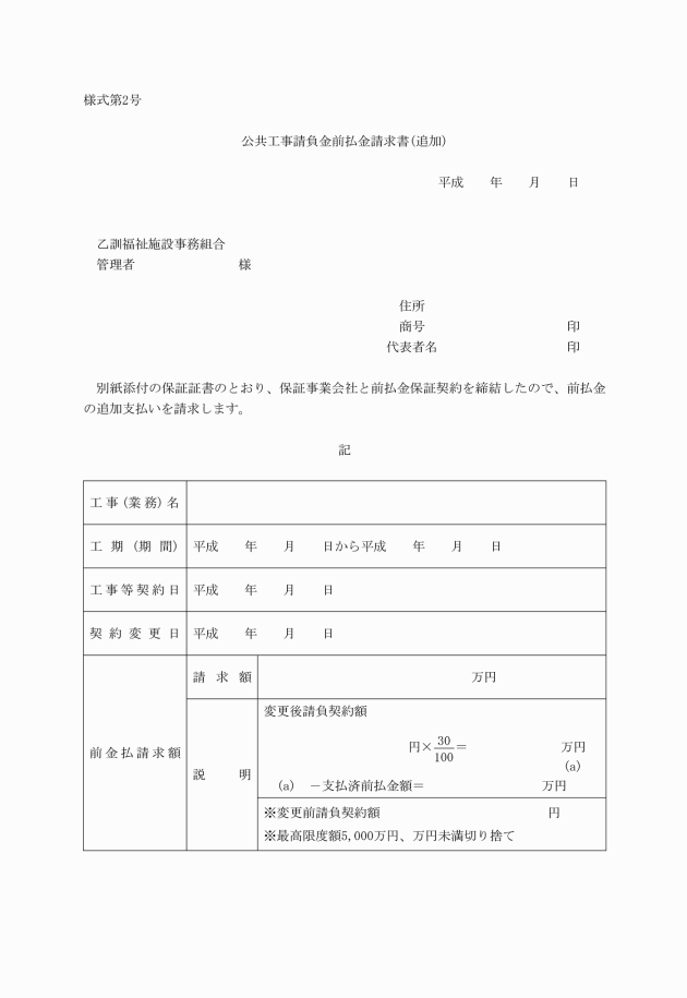
(前払金の追加)
第4条 前払金の支払い後、設計変更等の理由により請負金額を増額した場合において、次に該当するときは、その変更後の契約金額について、第2条第2項により算定した金額から支払い済みの前払金を差し引いた額以内で前払金の追加支払いをすることができる。
ア 増額した金額が100万円以上となるときで、かつ、その額が変更前の契約金額の100分の20以上となるとき
(1) 前払金の支払い後、設計変更その他の理由により契約金額を100万円以上減額した場合において、その額が変更前の契約金額の100分の20以上に達し、前払金支払額が減額後の契約金額の100分の50を超えるとき。
(2) その他請負約款等で特に定めた事項に該当したとき。
(その他)
第6条 前金払を前提として積算した設計金額が300万円以上の工事については、契約金額が300万円未満となった場合においても、第2条に定める請負金額の範囲を満たすものとする。
附則
この要綱は、平成13年6月1日から施行する。

